氣動V型球閥產品概述
VQ647H、VQ647Y氣動V型球閥由法蘭連接V型球閥與氣動裝置及附件組成,其氣缸接入0.4~0.7MPa氣源,與行程限位開關、二位五通電磁閥及空氣過濾減壓器配套使用即可驅動閥桿帶動球體旋轉90度來控制閥的啟閉動作,并通過閥門的全開或全關,實現對管道內介質的流通或截斷,再配上定位器,就能調節閥門開度,改變介質流通的截面積,實現閥門的調節。由于該閥為直角回轉式結構,當閥芯相對于閥座旋轉時具有較強的剪切作用,因此尤其適用于帶有纖維和微小顆粒介質的調節控制。本產品被廣泛應用于石油、化工、化纖、紙漿、造紙等行業。
VQ647H、VQ647Y氣動V型球閥氣動執行機構有單作用和雙作用二種。雙作用氣動工作時由雙作用定位器輸出的氣源信號壓力分別輸入氣缸活塞左、右二氣室,由于輸入活塞左、右二氣室的氣源壓力不同,形成壓差,推動活塞作直線運動,通過齒輪、齒條傳動,將活塞的直線運動轉換成執行器主軸的旋轉運動,直至左、右氣室壓力平衡,運動停止,在主軸作旋轉運動的同時帶動閥桿、閥芯作旋轉運動,改變閥芯、閥座間的流通面積,達到調節目的。單作用工作時由單作用定位器輸出的氣信號壓力輸入到氣缸無彈簧一側的氣室中,氣信號壓力作用在活塞上形成的推力和彈簧力之間差值的作用下,氣缸活塞作直線運動,通過齒輪,齒條傳動,直至氣信號壓力形成的推力與彈簧力平衡,運動停止,在執行機構主軸作旋轉運動的同時帶動閥桿、閥芯作旋轉運動,從而改變閥芯、閥座之間的流通面積,達到調節目的。
氣動V型球閥部件材料
| 序號 | 部件名稱 | 材料名稱 | |||||
| 1 | 閥 體 | WCB | CF8 | CF3 | CF8M | CF3M | 316Ti |
| 2 | 閥 桿 | 2Cr13 | 304 | 304L | 316 | 316L | 316Ti |
| 3 | 球 體 | WCB | CF8 | CF3 | CF8M | CF3M | 316Ti |
| 4 | 閥 座 | 304+HF | 304+HF | 304L+HF | 316+HF | 316L+HF | 316Ti+HF |
| 5 | 壓 圈 | WCB | CF8 | CF3 | CF8M | CF3M | 316Ti |
| 6 | 下 端 蓋 | WCB | CF8 | CF3 | CF8M | CF3M | 316Ti |
| 7 | 填料壓蓋 | WCB | CF8 | CF3 | CF8M | CF3M | 316Ti |
| 8 | 填 料 | GRAPHITE | PTFE | PTFE | PTFE | PTFE | PTFE |
| 9 | 彈 簧 | 17-7PH | 17-7PH | 17-7PH | 17-7PH | 17-7PH | 17-7PH |
| 10 | 氣動裝置 | 組合件 | 組合件 | 組合件 | 組合件 | 組合件 | 組合件 |
氣動V型球閥技術規范
| 公稱壓力PN(MPa) | 1.0 | 1.6 | 2.5 | 4.0 | 2.0 | 5.0 |
| 殼體試驗壓力(MPa) | 1.5 | 2.4 | 3.75 | 6.0 | 3.0 | 7.5 |
| 高壓液體密封試驗壓力(MPa) | 1.1 | 1.76 | 2.75 | 4.4 | 2.2 | 5.5 |
| 低壓氣體密封試驗壓力(MPa) | 0.4~0.7 | 0.4~0.7 | 0.4~0.7 | 0.4~0.7 | 0.4~0.7 | 0.4~0.7 |
| 設計制造 | JB/T 13517、GB/T 12237、GB/T 21385、API 608、ASME B16.34 | |||||
| 結構長度 | JB/T 13517、GB/T 12221、ASME B16.10 | |||||
| 法蘭標準 | JB/T 79、GB/T 9113、HG/T 20592、HG/T 20615、SH/T 3406、ASME B16.5等 | |||||
| 檢驗試驗 | GB/T 13927、GB/T 26480、JB/T 9092、API 598 | |||||
| 可配附件 | 電磁閥、信號反饋裝置、空氣過濾減壓器、定位器、保位閥、手輪機構等 | |||||
| 供氣壓力 | 0.4MPa ~ 0.7MPa | |||||
氣動V型球閥主要尺寸
| 公稱壓力 Class | 公稱尺寸 NPS | 外形尺寸/mm | 公稱壓力 Class | 公稱尺寸 NPS | 外形尺寸/mm | ||
| d1 | L | d1 | L | ||||
| 150 | 1 | 38 | 102 | 150 | 6 | 164 | 229 |
| 1 ? | 45 | 102 | 8 | 206 | 243 | ||
| 1 ? | 50 | 114 | 10 | 260 | 297 | ||
| 2 | 62 | 124 | 12 | 316 | 338 | ||
| 2 ? | 73 | 145 | 14 | 372 | 400 | ||
| 3 | 90 | 165 | 16 | 420 | 400 | ||
| 4 | 115 | 194 | 18 | 470 | 520 | ||
| 5 | 134 | 194 | 20 | 516 | 600 | ||
| 表中未列出的其他規格參數,請咨詢汗越閥門技術部! | |||||||
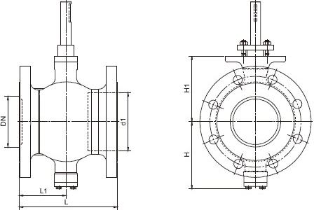
氣動V型球閥結構圖

如果你需訂購我廠V型球閥產品,咨詢時煩請注明規格型號,如無法提供,請說明公稱通徑、公稱壓力、閥體和內件材質、使用介質、法蘭標準及密封面形式、驅動裝置類型等。
網站首頁