不銹鋼偏心半球閥產品概述
不銹鋼偏心半球閥閥體、壓圈、半球體、閥軸等主要零部件采用CF8、CF3、CF8M、CF3M、310S或316Ti等不銹鋼鑄件毛坯加工而成,其半球體回轉中心與閥體通道軸線和閥芯密封面的幾何中心都有偏置,并通過蝸輪、氣動、電動或液動等執行機構驅動閥軸旋轉90°從而帶動半球體位移來實現閥門的啟閉動作,以起到對介質的接通、調節和截斷的作用。該閥特適合酸、堿、鹽等腐蝕性介質的輸送,其中310S偏心半球閥具有很好的抗氧化、耐腐蝕和耐熱性能,特別適合用在工作溫度1000℃以下環境的工況中。本產品的端部連接形式為法蘭或焊接,法蘭可以很方便的與設備或管道進行連接,而焊接連接密封嚴禁,輸送有毒、有害氣體可以達到零泄漏。
不銹鋼偏心半球閥部件材料
| 序號 | 部件名稱 | 材料名稱 | |||||
| 1 | 閥 體 | CF8 | CF3 | CF8M | CF3M | 310S | 316Ti |
| 2 | 半 球 體 | CF8 | CF3 | CF8M | CF3M | 310S | 316Ti |
| 3 | 閥 軸 | 304 | 304L | 316 | 316L | 310S | 316Ti |
| 4 | 閥 座 | R-PTFE、PTFE、TEFLON、NYLON、PPL、PEEK、DEVLON、SS+HF | |||||
| 5 | 壓 圈 | CF8 | CF3 | CF8M | CF3M | 310S | 316Ti |
| 6 | 下 端 蓋 | CF8 | CF3 | CF8M | CF3M | 310S | 316Ti |
| 7 | 填 料 | GRAPHITE、R-PTFE、PTFE、TEFLON、PCTFE | |||||
| 8 | 填料壓板 | CF8 | CF3 | CF8M | CF3M | 310S | 316Ti |
| 9 | 螺 柱 | 304 | 304 | 316 | 316 | 316 | 316 |
| 10 | 螺 母 | 304 | 304 | 316 | 316 | 316 | 316 |
不銹鋼偏心半球閥性能規范
| 公稱壓力PN(MPa) | 1.0 | 1.6 | 2.5 | 4.0 | 6.3 | 10.0 |
| 殼體試驗壓力(MPa) | 1.5 | 2.4 | 3.75 | 6.0 | 9.45 | 15.0 |
| 高壓液體密封試驗壓力(MPa) | 1.1 | 1.76 | 2.75 | 4.4 | 6.93 | 11.0 |
| 低壓氣體密封試驗壓力(MPa) | 0.4~0.7 | 0.4~0.7 | 0.4~0.7 | 0.4~0.7 | 0.4~0.7 | 0.4~0.7 |
| 設計制造 | CJ/T 283、GB/T 26146、GB/T 12237、GB/T 21385、API 608、ASME B16.34 | |||||
| 結構長度 | CJ/T 283、GB/T 26146、GB/T 12221、ASME B16.10 | |||||
| 法蘭標準 | JB/T 79、GB/T 9113、HG/T 20592、HG/T 20615、SH/T 3406、ASME B16.5等 | |||||
| 檢驗試驗 | GB/T 13927、GB/T 26480、JB/T 9092、API 598 | |||||
不銹鋼偏心半球閥主要尺寸
| 公稱壓力 PN | 公稱尺寸 DN | 結構長度/mm | 公稱壓力 PN | 公稱尺寸 DN | 結構長度/mm | ||
| L1 | L2 | L1 | L2 | ||||
| 10 | 40 | 124 | 124 | 10 | 350 | 366 | 430 |
| 50 | 124 | 178 | 400 | 381 | 530 | ||
| 65 | 145 | 190 | 450 | 430 | 580 | ||
| 80 | 165 | 203 | 500 | 502 | 630 | ||
| 100 | 194 | 229 | 600 | 570 | 800 | ||
| 125 | 213 | 254 | 700 | 660 | 900 | ||
| 150 | 229 | 267 | 800 | 762 | 1000 | ||
| 200 | 243 | 292 | 900 | 864 | 1100 | ||
| 250 | 297 | 330 | 1000 | 978 | 1200 | ||
| 300 | 338 | 356 | 1200 | 1075 | 1300 | ||
| 表中L1和L2分別為短、長系列的結構長度,其中未列出的其他規格參數,請咨詢汗越閥門技術部! | |||||||
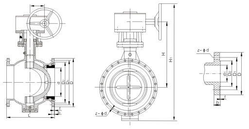
不銹鋼偏心半球閥結構圖

如果你需訂購我廠偏心半球閥產品,咨詢時煩請注明規格型號,如無法提供,請說明公稱通徑、公稱壓力、主體和內件材質、使用介質、工作溫度及執行器機構類型等。
網站首頁