四通球閥產品概述
Q46F、Q46H四通球閥主要由閥體、閥座、閥芯、閥桿和操作機構等組成,其閥體上設有四個通道口,閥芯為圓球型,四個通孔,中間對角線用一擋板隔開,形成兩路,球體的兩條通道為X形布置,四個通道口徑均布于球體赤道圓周截面上,當操作機構通過閥桿帶動閥芯沿順時針旋轉90°時,能使相近的兩個通道實現兩兩相通,以達到對四路管道內輸送介質進行流通和切斷的目的。本產品可同時對兩種介質的流向進行切換,既方便又迅速,實現一閥多用的效果。
Q46F、Q46H四通球閥是一種X形垂直通道的球閥,其流路形式為X型二位四通,大口徑采用中間閥體,四面法蘭連接(即在每個通道口處各連接有法蘭),小口徑則由左閥體與右閥蓋連接而成,主要用于介質流向的切換。該閥在閥座的前端設有與閥芯構成密封配合的密封件。本產品可采用手動、蝸輪、氣動、電動、液動等多種操作方式。
四通球閥部件材料
序號 | 部件名稱 | 材料名稱 | ||||
1 | 閥 體 | WCB | CF8 | CF3 | CF8M | CF3M |
2 | 閥 蓋 | WCB | CF8 | CF3 | CF8M | CF3M |
3 | 閥 座 | RPTFE、PTFE、TEFLON、NYLON、PPL、PEEK、DEVLON、不銹鋼+硬質合金 | ||||
4 | 閥 芯 | 304 | 304 | 304L | 316 | 316L |
5 | 閥 桿 | 304 | 304 | 304L | 316 | 316L |
6 | 填 料 | 柔性石墨環、V形聚四氟乙烯、特氟隆、碳纖維編織 | ||||
7 | 螺 栓 | 35CrMo | 304 | 304L | 316 | 316L |
8 | 螺 母 | 30CrMo | 304 | 304L | 316 | 316L |
四通球閥技術規范
公稱壓力PN(MPa) | 1.0 | 1.6 | 2.0 | 2.5 | 4.0 |
殼體試驗壓力(MPa) | 1.5 | 2.4 | 3.0 | 3.75 | 6.0 |
高壓液密封試驗壓力(MPa) | 1.1 | 1.76 | 2.2 | 2.75 | 4.4 |
低壓氣密封試驗壓力(MPa) | 0.6 | 0.6 | 0.6 | 0.6 | 0.6 |
設計制造 | GB/T 12237、GB/T 21385、API 6D、API 608、ASME B16.34 | ||||
結構長度 | 按本廠標準Q/CB的規定或訂貨合同要求 | ||||
法蘭尺寸 | JB/T 79、GB/T 9113、HG/T 20592、HG/T 20615、SH/T 3406、ASME B16.5 | ||||
檢驗試驗 | JB/T 9092、GB/T 26480、API 6D、API 598 | ||||
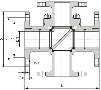
四通球閥外型尺寸
公稱壓力 PN(MPa) | 公稱通徑 DN(mm) | 尺寸(mm) | ||||||
L | D | K | R | C | f | n-d | ||
1.0-4.0 (Class150)2.0 | 15 | 150 | 95 | 65 | 45 | 14 | 2 | 4-Φ14 |
20 | 164 | 105 | 75 | 55 | 16 | 2 | 4-Φ14 | |
25 | 180 | 115 | 85 | 65 | 16 | 2 | 4-Φ14 | |
32 | 200 | 135/140 | 100 | 78 | 18 | 2 | 4-Φ18 | |
40 | 220 | 145/150 | 110 | 85 | 18 | 3 | 4-Φ18 | |
50 | 240 | 160/165 | 125 | 100 | 20 | 3 | 4-Φ18 | |
65 | 260 | 180/185 | 145 | 120 | 20 | 3 | 4-Φ18 | |
80 | 280 | 195/200 | 160 | 135 | 20 | 3 | 8-Φ18 | |
100 | 320 | 215/220 | 180 | 155 | 22 | 3 | 8-Φ18 | |
125 | 380 | 245/250 | 210 | 185 | 22 | 3 | 8-Φ18 | |
150 | 440 | 280/285 | 240 | 210 | 24 | 3 | 8-Φ23 | |
200 | 550 | 335/340 | 295 | 265 | 24 | 3 | 12-Φ23 | |
250 | 670 | 405 | 355 | 320 | 30 | 3 | 12-Φ25 | |
300 | 850/720 | 460 | 410 | 375 | 30 | 4 | 12-Φ25 | |
注:以上法蘭尺寸為JB/T 79.1標準PN1.6MPa。 | ||||||||
四通球閥結構圖

如果你需訂購我廠三通球閥系列產品,咨詢時煩請注明產品型號,如無法提供型號數據,請說明公稱通徑、公稱壓力、閥體材質、內件材質、使用介質及介質溫度等,本產品流路形式為X型通道口,應根據實際用途選擇配管組合,安裝前應首先根據閥門上的標示檢查是否符合使用要求。
網站首頁