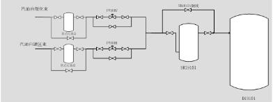
某石油化工總廠各車間展開停工大檢修,加氫車間在檢修過程中在罐區來料和催化來料進裝置處分別添加了一個300目的籃式過濾器,來料分別經過過濾器再通過新加入的兩個流量計T1001和T1007后,混合在一起進入原進料過濾器SR19101。作為原來來料混合后過濾器的補充和加強。
來料中帶有的雜質如果不經過處理,對長周期運轉會造成很大的壓力。沿途管線腐蝕產生的鐵銹和原料油中帶有的雜質進入加氫裝置的換熱器等設備容易造成堵塞或者結垢,造成壓力降增大,換熱效果變差。更嚴重的是,如果雜質進入反應容器會造成催化劑被污染,結垢生焦。床層壓降增大,催化劑活性降低。
其次,來料中的機械雜質會對各泵的機械密封,特別是高速離心泵的機械密封的運轉壽命造成影響。可以說,為了確保裝置平穩運行,減緩催化劑的被污染速度,延長裝置運行周期,所以,加氫裝置添加籃式過濾器,切實的做好來料雜質的過濾工作有很重要的意義。
原工藝流程如圖:

改造后工藝流程如圖:

地 址:上海市金山區興塔工業區
咨詢電話:021-5736 2601
手機號碼:138 1635 7694
電子郵箱:hanyuev@163.com
網 址:http://www.3ebezih.cn