2月26日,某高新開發區某熱力公司2#熱交換站DN200蒸汽減壓裝置閥前壓力表表閥漏汽,下午4 時停汽泄壓進行維修,5時30分更換完畢,開啟外部主供汽閥開始送汽;5時40分,減壓裝置發生嚴重水擊,致使Y型過濾器(圖示中的序號3)爆裂,裂紋呈T型,大量冷凝水及蒸汽噴出,造成在場5人不同程度燙傷。

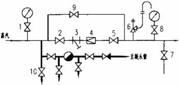
減壓閥組示意圖(加粗部分為增加的疏水裝置)
1、8 壓力表表閥2減壓閥前切斷閥3 Y型過濾器4減壓閥5減壓閥后切斷閥6安全閥7減壓裝置后排水閥9旁通閥10減壓裝置前排水閥
現場查看分析,導致該Y型過渡器爆裂的直接原因是由于操作者違犯操作規程,送汽速度過急,疏水不暢以致發生嚴重水擊而造成的。該減壓閥組結構如圖示,送汽前,旁通閥9關閉,閥2、5、7開啟,由于外網切斷閥至減壓閥間距離長約1Km,管徑219mm,管道內積存冷凝水較多,而疏水閥7 (閥門通徑DN20)排水能力偏小,送汽過程中,操作者為了泄壓,抬起安全閥8手柄,反復幾次后,突然關閉安全閥,此時管路發生水擊引起劇烈震動,Y型過濾器瞬間爆裂,大量冷凝水及其蒸汽噴出。這起事故的發生,有操作者操作不當的原因,但同時在設計方面也存在問題,長距離管線引至交換站入口處無切斷閥,也無疏水裝置,單靠減壓閥組后疏水顯然不妥。
為了避免類似事故的再次發生,我公司建議及時對管路系統進行了整改,一方面在蒸汽管引入熱交換站前,加裝切斷閥和疏水裝置,同時在減壓閥裝置前加裝直排閥10和連續疏水裝置,增大疏水能力。并針對這次事故,加強操作人員崗位培訓,規范操作程序,提高安全防范意識。
地 址:上海市金山區興塔工業區
咨詢電話:021-5736 2601
手機號碼:138 1635 7694
電子郵箱:hanyuev@163.com
網 址:http://www.3ebezih.cn